Трансформатор струму КТ
Електричний трансформатор струму Ct із смолою
  • Електричний трансформатор струму Ct із смолоюЕлектричний трансформатор струму Ct із смолою
  • Електричний трансформатор струму Ct із смолоюЕлектричний трансформатор струму Ct із смолою

Електричний трансформатор струму Ct із смолою

Компанія Wenzhou XiFa Electric Power Equipment Co., Ltd є професійним виробником для виробництва електричних трансформаторів струму з литої смоли, які застосовуються в електричних розподільних пристроях від 10 до 35 кВ. У Веньчжоу XiFa команда виробників розливає епоксидну смолу у вакуумі, щоб видалити бульбашки збоку трансформатора струму та запобігти частковому розряду на поверхні. Водночас електричний трансформатор струму з литого полімеру розроблений як багатошарова ізоляційна структура для досягнення кращого опору напрузі та довгострокової стабільності.

Електричний трансформатор струму, виготовлений із литого полімеру, — це вакуумно-литий електричний трансформатор струму з епоксидної смоли для внутрішнього використання, призначений для енергосистем з напругою 10 кВ з номінальною частотою 50 Гц. Він в основному використовується для вимірювання струму, вимірювання енергії та захисного реле.

Електричний трансформатор струму, виготовлений із литої смоли, застосовує повністю закритий процес лиття з епоксидної смоли, у якому сердечник виготовляється з високоякісного магнітного матеріалу, а первинна та вторинна котушки разом із сердечником вбудовані в смолу. Ця конструкція забезпечує відмінні показники ізоляції, стійкості до вологи та стійкості до забруднень. Поверхня литого електричного трансформатора струму ct не потребує додаткового покриття, і трансформатор струму можна встановити в кількох положеннях.

Діапазон охоплює як класи вимірювання, такі як 0,2S і 0,5S, так і класи захисту, такі як 10P10 і 10P20. Електричний трансформатор струму постійного струму з полімерним литтям має багатокоефіційну конструкцію, що робить його добре придатним для використання в металевих електричних панелях.

Resin Cast Electrical Ct Current TransformerResin Cast Electrical Ct Current Transformer

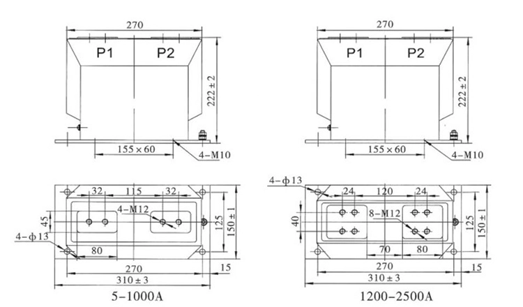
Технічні характеристики:

Тип Первинний номінальний струм (A) Клас точності Клас точності та номінальна потужність cosΦ=0,8 Термічний струм Шорі (кА/с) Номінальний динамічний струм (кА)
0,2 (с) 0,5 (с) 10P10 10P15 10P20
LZZBJ9-10 5-150 0,2 с/0,5 0,2 с/10P 0,2/10P 0,5 с/10P 0,5/10P 10 10 15 15 10 100І1н 250І1н
200-300 31.5 80
400-500 45 112
600-1000 63 130
1200-1500 80 160
2000-2500 100 180

Resin Cast Electrical Ct Current Transformer

Часті запитання про продукт:

Питання: Які технічні параметри слід перевіряти, вибираючи електричний трансформатор струму з полімерного лиття?

Відповідь: при виборі необхідно перевірити наступні ключові параметри:

1. Клас точності: для вимірювання/вимірювання (наприклад, 0,2 с або 0,5) і цілей захисту (наприклад, 10P10, 5P10 тощо).

2. Номінальний первинний струм і вторинний струм (коефіцієнт трансформації).

3. Короткочасний тепловий струм (Ith) і короткочасний струм, що витримує (для умов несправності).

4. Рівні ізоляції (витримувана напруга, номінальна імпульсна напруга тощо).

5. Допуски навколишнього середовища: діапазон температур, висота над рівнем моря, вологість, рівень забруднення.

6. Навантаження: навантаження VA, яке вторинна система повинна керувати без зниження точності.

Питання: У яких середовищах або застосуваннях особливо підходять литі електричні трансформатори струму?

A: для трансформатора струму електричного струму, литого полімером, підходять такі середовища або застосування:

1. Внутрішні розподільні пристрої, де простір обмежений, а ізоляція має вирішальне значення.

2. У суворих або забруднених середовищах (пил, волога, хімікати), де відкриті частини або масло можуть погіршитися.

3. У схемах вимірювання та захисту, які вимагають стабільного точного вимірювання протягом тривалого часу.

4. Застосування, де важливі низькі витрати на обслуговування та висока надійність.

Гарячі теги: Постачальник литих трансформаторів струму із смоли, виробник електричних трансформаторів струму струму, оптова торгівля трансформаторами струму струму на замовлення
Надіслати запит
Контактна інформація
  • Адреса

    No. 391, Jingqi Road, Yanpan Industrial Zone, Yueqing City, Zhejiang Province, China

  • Електронна пошта

    info@xifaele.com

Щоб отримати вашу пропозицію якомога швидше

XiFa-ваш надійний постачальник електрообладнання
X
Ми використовуємо файли cookie, щоб запропонувати вам кращий досвід перегляду, аналізувати трафік сайту та персоналізувати вміст. Використовуючи цей сайт, ви погоджуєтеся на використання файлів cookie. Політика конфіденційності
Відхиляти прийняти