Трансформатор струму КТ
Трансформатор струму нульової послідовності Ct Donut
  • Трансформатор струму нульової послідовності Ct DonutТрансформатор струму нульової послідовності Ct Donut
  • Трансформатор струму нульової послідовності Ct DonutТрансформатор струму нульової послідовності Ct Donut

Трансформатор струму нульової послідовності Ct Donut

Для виробництва високоякісного трансформатора струму нульової послідовності ct пончикового типу компанія Wenzhou XiFa Electric Power Equipment Co., Ltd використовує сировину високої якості та конкурентоспроможної ціни. У процесі намотування Wenzhou XiFa використовує емальований дріт з безкисневої міді для забезпечення електропровідності та механічної міцності для кожного трансформатора струму нульової послідовності. Тим часом, у процесі виробництва серцевини Wenzhou XiFa використовує високомагнітну проникність листової кремнієвої сталі, щоб підтримувати чудову продуктивність при чутливій реакції на крихітний струм нульової послідовності.

Трансформатор струму нульової послідовності — це одновитковий наскрізний пристрій, який використовується в системах живлення для контролю струмів нульової послідовності. Він служить критичним компонентом систем релейного захисту, який в основному використовується для виявлення замикань на землю, струмів витоку та моніторингу ізоляції. Реагуючи на векторну суму трифазних струмів і результуючого струму нульової послідовності, трансформатор струму нульової послідовності може запускати операції захисту та взаємодіяти з селекторами заземлення слабкого струму, цифровими пристроями придушення гармонік і блоками релейного захисту для попередження про несправності та відключення живлення.

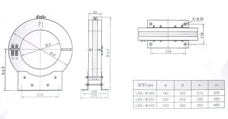
Конструктивно трансформатор струму нульової послідовності складається з тороїдального сердечника та вторинної обмотки, укладеної в корпус із епоксидної смоли або силіконової гуми, що забезпечує вологостійкість і захист від спалаху забруднення. Варіанти встановлення включають суцільний, для якого потрібні попередньо пропущені кабелі, і конструкції з розділеними жилами, які дозволяють модернізувати без від’єднання кабелів.

Він сумісний із системами живлення 50 Гц, що забезпечує чутливість і лінійність, необхідні для різних конфігурацій нейтральної точки, включаючи заземлені та незаземлені системи. Трансформатори струму нульової послідовності широко застосовуються в інтелектуальних мережах, залізничному транспорті, електричних системах будівель і моніторингу промислового обладнання, щоб забезпечити надійне виявлення несправностей і захист системи.

Zero Sequence Ct Current Transformer Donut TypeZero Sequence Ct Current Transformer Donut Type

Тип Тип реле Метод підключення Значення масштабу Первинний струм Тип Тип реле Метод підключення Значення масштабу Первинний струм
LXK-Φ80 LXK-Φ100 LXK-Φ120 LXK-Φ150 DD11/60 Серія 15*1 2,4-4,5 LXK-Φ180 LXK-Φ220 LXK-Φ240 DD11/60 Серія 15*1 2,4-4,5
30*1 30*1
Паралельний 15*2 3-5 Паралельний 15*2 3-5
30*2 30*2
DD1/60 Серія 15*1 3-5 DD1/60 Серія 15*1 3-5
30*1 30*1
Паралельний 15*2 3-6 Паралельний 15*2 3-6
30*2 30*2

Zero Sequence Ct Current Transformer Donut Type

Часті запитання про продукт:

З: Що таке трансформатор струму нульової послідовності?

Трансформатор струму нульової послідовності КТ типу «пончик» — це пристрій із наскрізним сердечником, призначений для виявлення струмів нульової послідовності в трифазних системах. Його тороїдальний сердечник дозволяє первинному провіднику проходити через центр, забезпечуючи ненав'язливий моніторинг замикань на землю, струмів витоку та стану ізоляції.

Питання: Який вихідний сигнал трансформатора струму нульової послідовності ct?

A: Трансформатор струму нульової послідовності типу пончик перетворює струм нульової послідовності в пропорційну напругу або вторинний струм за допомогою високоточної обмотки та технології котушки Роговського. Цей вихід сумісний з реле, лічильниками та системами моніторингу для швидкого й точного виявлення несправностей.

Питання: Які типові застосування трансформатора струму нульової послідовності типу "пончик"?

A: Трансформатор струму нульової послідовності типу "пончик" зазвичай використовується в:

1. Захист від замикання на землю та виявлення струму витоку;

2. Моніторинг нейтральної точки в системах розподілу електроенергії;

3. Інтеграція з цифровими реле захисту, пристроями придушення гармонік і системами моніторингу інтелектуальної мережі.

4.Промислове обладнання, будівництво електричних мереж, систем залізничного транспорту.




Гарячі теги: Трансформатор струму ТТ нульової послідовності, ТТ кольцевого типу, Трансформатор захисту від замикання на землю
Надіслати запит
Контактна інформація
  • Адреса

    No. 391, Jingqi Road, Yanpan Industrial Zone, Yueqing City, Zhejiang Province, China

  • Електронна пошта

    info@xifaele.com

Щоб отримати вашу пропозицію якомога швидше

XiFa-ваш надійний постачальник електрообладнання
X
Ми використовуємо файли cookie, щоб запропонувати вам кращий досвід перегляду, аналізувати трафік сайту та персоналізувати вміст. Використовуючи цей сайт, ви погоджуєтеся на використання файлів cookie. Політика конфіденційності
Відхиляти прийняти