Трансформатор потенціалу PT
Інструментальний електромагнітний трансформатор потенціалу Pt на 25 кВ
  • Інструментальний електромагнітний трансформатор потенціалу Pt на 25 кВІнструментальний електромагнітний трансформатор потенціалу Pt на 25 кВ

Інструментальний електромагнітний трансформатор потенціалу Pt на 25 кВ

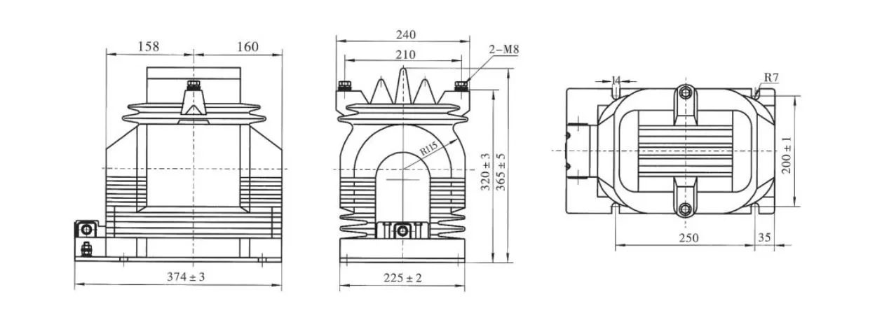
Wenzhou XiFa Electric Power Equipment Co., Ltd має понад 10 років виробництва трансформаторів потенціалу на основі епоксидної смоли та трансформаторів струму, таких як приладовий електромагнітний трансформатор потенціалу 25 кВ. Трансформатор потенціалу 25 кВ призначений для певних регіональних мережевих напруг, таких як Північна Америка та деякі країни Америки. Незважаючи на те, що він позначений інструментальним електромагнітним трансформатором потенціалу 25 кВ, прийнятим стандартом є 24 кВ. Компанія Wenzhou XiFa Electric Power Equipment Co., Ltd має різноманітні зрілі конструктивні рішення щодо точності, ізоляції та механічної міцності для створення приладового електромагнітного трансформатора потенціалу 25 кВ, який має довший термін служби.

Поради після покупки aтрансформатор потенціалу:

1. Перед введенням в експлуатацію приладовий електромагнітний трансформатор потенціалу 25 кВ повинен пройти всі випробування та перевірки відповідно до відповідних стандартів і процедур. Зазвичай вони включають випробування діелектрика змінного струму, випробування опору ізоляції, випробування співвідношення та візуальний огляд.

2. Важливо правильно підключити електромагнітний трансформатор потенціалу приладу 25 кВ. Первинна обмотка повинна бути включена паралельно вимірюваному ланцюгу, а вторинна обмотка - паралельно котушкам напруги вимірювальних приладів, захисних реле або автоматичних пристроїв. При цьому слід звернути увагу на дотримання правильної полярності.

3. Навантаження, підключене до вторинної обмотки трансформатора потенціалу 25 кВ, має бути в межах номінальної потужності. Перевищення номінального вторинного навантаження може призвести до збільшення похибок вимірювань і навіть вплинути на точність показань.

4. Коротке замикання вторинної обмотки трансформатора потенціалу 25 кВ суворо заборонено. Оскільки PT має дуже низький внутрішній імпеданс, вторинне коротке замикання може генерувати надзвичайно високі струми, що потенційно може пошкодити вторинне обладнання та створити серйозну загрозу безпеці. Щоб запобігти такому пошкодженню, запобіжники необхідно встановити на вторинну обмотку PT. Якщо це можливо, запобіжники первинної сторони також слід використовувати для захисту мережі високої напруги у разі несправності первинної обмотки або проводів.

5. Для безпеки персоналу, який працює з вимірювальними приладами або реле, вторинна обмотка PT повинна бути заземлена в одній точці. Це може запобігти особистій безпеці від високої напруги, що з'являється в приладах і реле, коли ізоляція пошкоджена між первинною та вторинною обмотками після заземлення.

6. Ні за яких обставин не можна замикати вторинне коло PT.

25 Kv Instrument Electromagnetic Pt Potential Transformer

Технічні характеристики:

Тип Коефіцієнт номінальної напруги (кВ) Клас точності Клас точності та номінальна потужність cosΦ=0,8 Макс. Вихід (ВА)
0.2 0.5 3(П)
JDZ11-15 15/0,1 0,2 0,5 1 30 80 150 600
JDZ11-20 20/0,1
JDZ11-15 15/0,1/0,1 0,2/0,2 0,2/0,5 0,5/0,5 20 30 N/A 2*300
JDZ11-20 20/0,1/0,1
JDZ11-15 15/0,1/0,22 0,2/3P 0,5/3P 30 60 100 500
JDZ11-20 20/0,1/0,22

25 Kv Instrument Electromagnetic Pt Potential Transformer

Часті запитання про продукт:

Q: Яка стандартна вторинна напруга для електромагнітного приладу 25 кВ?pt трансформатор потенціалу?

A: Стандартна вторинна напруга для приладового електромагнітного трансформатора потенціалу 25 кВ зазвичай становить 110 В. Ця стандартизація забезпечує сумісність із вимірювальним і захисним обладнанням, щоб забезпечити точне вимірювання напруги та безпечну роботу в системі електроенергії.


Питання: Чи може приладовий електромагнітний трансформатор потенціалу 25 кВ безперервно працювати при 115% номінальної напруги?

Відповідь: Так, трансформатор потенціалу 25 кВ здатний безперервно працювати при 115% номінальної напруги, доки навантаження вторинної обмотки не перевищує номінальну температуру трансформатора. Ця можливість дозволяє створювати умови тимчасової перенапруги, не впливаючи на цілісність PT.


Q: Який типовий клас ізоляції для приладового електромагнітного трансформатора потенціалу 25 кВ?

В: Трансформатор потенціалу 25 кВ зазвичай має клас ізоляції, який дозволяє йому витримувати напругу до 25 кВ. Система ізоляції розроблена таким чином, щоб справлятися з електричними навантаженнями, що виникають під час нормальних і несправних умов, забезпечуючи надійну роботу та безпеку.





Гарячі теги: Виробник електромагнітного електромагнітного трансформатора потенціалу інструменту 25 кВ, постачальник електромагнітного трансформатора потенціалу PT, оптова торгівля трансформатором потенціалу інструменту PT
Надіслати запит
Контактна інформація
  • Адреса

    No. 391, Jingqi Road, Yanpan Industrial Zone, Yueqing City, Zhejiang Province, China

  • Електронна пошта

    info@xifaele.com

Щоб отримати вашу пропозицію якомога швидше

XiFa-ваш надійний постачальник електрообладнання
X
Ми використовуємо файли cookie, щоб запропонувати вам кращий досвід перегляду, аналізувати трафік сайту та персоналізувати вміст. Використовуючи цей сайт, ви погоджуєтеся на використання файлів cookie. Політика конфіденційності
Відхиляти прийняти