Трансформатор потенціалу PT
Однофазний трансформатор потенціалу 13,8 кВ на підстанції
  • Однофазний трансформатор потенціалу 13,8 кВ на підстанціїОднофазний трансформатор потенціалу 13,8 кВ на підстанції

Однофазний трансформатор потенціалу 13,8 кВ на підстанції

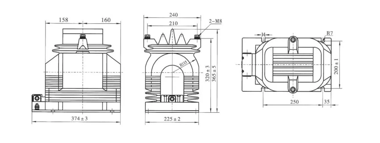
Щоб виготовити надійний однофазний трансформатор потенціалу 13,8 кВ на підстанції, компанія Wenzhou XiFa Electric Power Equipment Co., Ltd використовує електротехнічну сталь преміум-класу CRGO як основний матеріал сердечника, щоб зменшити значення втрат і підвищити клас точності, а також високоміцний емальований мідний дріт як основний матеріал котушки для забезпечення співвідношення витків і ізоляції витків за допомогою точного намотування. Більше того, кожен однофазний трансформатор потенціалу 13,8 кВ на підстанції використовує процес виробництва вакуумного лиття епоксидної смоли, щоб створити загальну затверділу структуру, яка нелегко поглинає вологу, яка підходить для жаркого, вологого та пилового середовища.

Особливості продукту:

Однофазний трансформатор потенціалу 13,8 кВ на підстанції призначений для зниження первинної напруги 13,8 кВ до стандартної вторинної напруги, наприклад 100 або 110 вольт. Знижена напруга потім подається на паралельні обмотки для вимірювання приладів і захисних реле, що дозволяє проводити вимірювання первинної напруги опосередковано за допомогою приладів низької напруги. Такий підхід спрощує конструкцію приладу, економить кошти та забезпечує безпеку як обладнання, так і обслуговуючого персоналу.


Принцип роботи однофазного трансформатора потенціалу 13,8 кВ такий же, як і трансформатора розподілу електроенергії, коефіцієнт трансформації якого визначається кількістю витків у первинній та вторинній котушках. Збільшення кількості вторинних витків зменшує коефіцієнт, тоді як збільшення кількості первинних витків підвищує його. Важливо відзначити, що ні в якому разі не можна замикати вторинне коло однофазного трансформатора потенціалу 13,8 кВ під час роботи.

13 8 Kv Single Phase Potential Transformer In Substation

Технічні характеристики:

Тип Коефіцієнт номінальної напруги (кВ) Клас точності Клас точності та номінальна потужність cosΦ=0,8 Макс. Вихід (ВА)
0.2 0.5 1 6(П)
JDZ11-15 (15/√3)/(0,1/√3)/(0,1/3) 0,2/6P 0,5/6P 1/6P 30 80 150 100 400
JDZ11-20 (20/√3)/(0,1/√3)/(0,1/3)
JDZ11-15 (15/√3)/(0,1/√3)/(0,1/√3)/(0,1/3) 0,2/0,2/6P 0,2/0,5/6P 15 20 N/A 100 2*200
JDZX11-20 (20/√3)/(0,1/√3)/(0,1/√3)/(0,1/3)

13 8 Kv Single Phase Potential Transformer In Substation

Часті запитання про продукт:

З: Чим однофазний трансформатор потенціалу 13,8 кВ відрізняється від силового трансформатора 13,8 кВ?

A: Хоча обидва є пристроями для перетворення напруги, однофазний трансформатор потенціалу 13,8 кВ призначений для вимірювання та захисту, а не для передачі електроенергії. Його номінальне навантаження відносно невелике, зазвичай виражається у ВА, тоді як силові трансформатори витримують навантаження з більшим значенням, яке враховується в кВА або МВА.


З: Які методи ізоляції використовуються в однофазному трансформаторі потенціалу 13,8 кВ?

A: Більшістьтрансформатори потенціалупри цьому рівні напруги використовуйте литу ізоляцію з епоксидної смоли для внутрішнього використання або порцелянові/силіконові корпуси для зовнішньої установки. Деякі конструкції використовують масляну ізоляцію для досягнення подовженого терміну служби та більшої теплоємності.


Питання: Як однофазний трансформатор потенціалу 13,8 кВ підключати до підстанції?

Відповідь: Для вимірювання фаза-земля первинний PT підключається між однією фазою та землею. У трифазній системі набір однофазних PT або трифазний PT можна використовувати для вимірювання напруг між лініями та між лініями та землею.


З: Які проблеми можуть виникнути з однофазними трансформаторами потенціалу 13,8 кВ на підстанціях?

Відповідь: Загальні проблеми включають погіршення ізоляції, ферорезонанс за певних умов перемикання, перегрів через надмірне навантаження та умови розриву вторинного кола, які можуть спричинити небезпечно високу напругу.



Гарячі теги: Однофазний трансформатор потенціалу 13,8 кВ у постачальника підстанції, трансформатор потенціалу підстанції оптом
Надіслати запит
Контактна інформація
  • Адреса

    No. 391, Jingqi Road, Yanpan Industrial Zone, Yueqing City, Zhejiang Province, China

  • Електронна пошта

    info@xifaele.com

Щоб отримати вашу пропозицію якомога швидше

XiFa-ваш надійний постачальник електрообладнання
X
Ми використовуємо файли cookie, щоб запропонувати вам кращий досвід перегляду, аналізувати трафік сайту та персоналізувати вміст. Використовуючи цей сайт, ви погоджуєтеся на використання файлів cookie. Політика конфіденційності
Відхиляти прийняти